赛华检测欢迎您!
免费咨询热线

免费咨询热线:0755-21062483

经典案例

SERVICES CASE

赛华检测

当前位置

首页>>经典案例
材料制样手段及表征手段对比

时间:2025-05-28

点击:437

赛华检测致力于提供精准的材料制样与深入的材料表征服务。下面将详细对比各种材料制样技术和材料表征方法的特点,以便您更好地了解并选择适合自身需求的解决方案:


材料制样手段对比

项目

设备型号

离子源

分析精度

传统切片

研磨机

Alpha-202

/

10μm以上

低温超薄切片

RMC PT XL

/

5nm-10μm

CP

日立

IM4000

氩离子

100-500nm

冷冻CP

Leica EM TIC 3X

氩离子

50-100nm

FIB

聚焦离子束

Seiko 3050MS

镓离子

1-10nm

Plasma-FIB

Thermo Scientific Arctis Cryo-Plasma-FIB

氙离子

1-10nm


项目

图片说明

典型图片

传统切片

普通切片:PCB电镀铜板腐蚀后SEM图片

图片

低温超薄切片

聚苯橡胶

制备:-85℃,超薄切片TEM:120KV

图片

CP

PCB焊盘CP处理后SEM镍腐蚀图片

图片

冷冻CP

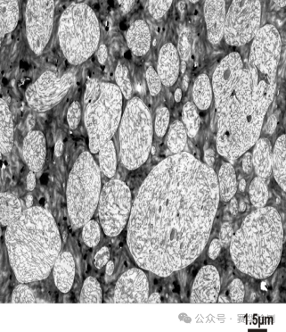
电池正极粉末冷冻CP处理后截面图片

图片

FIB

PCB孔铜FIB处理后铜晶格图片

图片

Plasma-FIB

样品Plasma-FIB处理后SEM图片

图片



材料表征手段对比

检测

设备

检测

信号

信号采集

深度

含量测试

极限

分析

范围

SEM&EDS

电子束

1-3μm

0.1%wt

元素(Li-U)元素面分布

AES

俄歇电子

0.5-3nm

0.1%at

元素(Li-U)元素分布

XPS

光电子

5-10nm

0.1%at

元素(Li-U)化学态+分布

TOF-SIMS

二次离子

0.1-1nm

10-6

(ppm级)

全元素及同位素

分子态

D-SIMS

二次离子

0.1-1nm

10-9~1%

(ppb级)

全元素及同位素

FTIR

红外辐射

1-5μm

/

/

EBSD

电子背散射衍射信号

100-500nm

/

/

TEM

电子束

几nm

/

/


检测设备

特点

典型图片

SEM&EDS

元素分析,定性半定量

图片

AES

表面元素定性、定量分析

图片

XPS

表面元素分析和元素价态测定

图片

TOF-SIMS

高灵敏度,可进行深度剖析和表面成像

图片

D-SIMS

深度剖析和微区分析

图片

FTIR

分子结构和官能团分析

图片

EBSD

晶体学分析和取向测定

图片

TEM

高分辨率,可观察微观结构

图片



图片

赛华检测成立于2019年6月,目前在深圳具备显微分析、器件分析、化学、热分析、电性能、无损、机械性能、可靠性等检测能力,主要开展材料检测、失效分析、技术咨询服务,除此之外还涉及ISO、ETL、CE、CCC、CQC、UL认证等服务,为客户在产品研发、生产、销售等各环节提供全方面检测与认证服务。



关注我们

图片

SAIWALAB

赛华检测

热线电话|0755-21062483

官方网站 | www.saiwalab.com

邮箱地址|sales@saiwalab.com

文章标签文章标签:

制样 表征
电话咨询
0755-21062483
立即咨询
立即咨询
扫码关注
扫码关注
扫码关注
返回顶部
返回顶部
诚信

诚信

以诚立身,信守承诺赢信赖

专业

专业

深耕领域,精湛技术保品质

服务

服务

贴心响应,全程无忧暖客户

创新

创新

技术致新,生态共建造无忧

责任

责任

严控细节,坚守担当保质量

在线咨询 在线咨询 报告查询 报告查询

全国咨询热线(Tel):

0755-21062483

地址:深圳市光明区玉塘街道田寮社区同仁路盛荟红星创智广场 402E

扫一扫,关注我们

扫一扫,关注我们

友情链接: 赛华检测

版权所有©深圳市赛华检测技术有限公司 粤ICP备2023072023号 XML地图